Sentinel C28 是CTS有限公司最新增加入Sentinel洩漏檢測儀器家族的先進儀器.
C28 採用的測試算法過程基於先進的32位系統,以更緊湊的形式給了它快速和可重複的結果。
★獨特的參數自動調整功能
★單一壓力測試功能
★RS232,乙太網介面
★中文彩色圖形顯示
多種檢測配置:壓力(真空)衰減洩漏率 / 壓力(真空)下降 / 壓力變化率 / 阻塞(背壓)
儀器的靈活功能:
★不同的測試氣動模組可選
★可執行各種不同的測試方法
★根據不同工件參數設定程式
★容許不同的計量單位切換
★所有的數位輸入和輸出可自行定義
★採用RS232和TCP/IP遠端登錄通訊接口的方法連接工廠網路
32個可應用的工件程式:
★包括測試類型,時間,壓力參數,洩漏率,校準參數,測量單位和資料登錄/輸出選項。
自動設定:
★根據洩漏測試的綜合情況,自動確定最佳的測試週期以符合總週期要求。
自動校準:
★通過對標準測試件的測試分析,依靠內部的洩漏標準,自動地為每一組程式建立單位時間壓降和洩漏率(或流量)關係曲線。
環境漂移修正:
★由於環境條件和溫度變化的影響,檢測標準工件的微小壓力損失將會發生輕微的偏移,使用環境漂移修正可以解決這個誤差,從而保證了更好的檢測精度。
快速測試功能:
★對明顯的測試合格或者測試不合格產品,能在測試初期就給出判定結果,從而減少了測試時間。
自檢功能:
★包括內部氣路洩漏檢查,校正確認,感測器零點校正和調壓閥的調整。
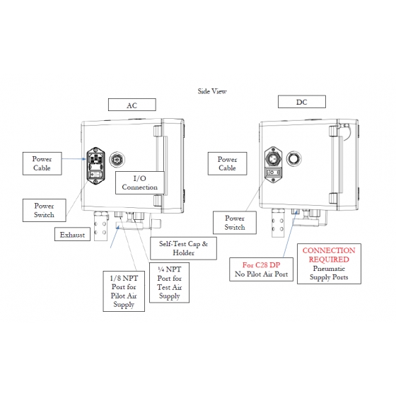
緊湊的機殼元件:
★易於安裝和維護(包括所有的電子和氣動模組)
壁掛式安裝:
★6.6” 高x 8.7” 寬x 7.2” 深
氣路模組:
★包括閥,感測器,洩漏標準孔和調壓閥。
感測器:
★絕對壓力感測器:監視測試壓力,顯示其與大氣壓(表壓)或壓力損失的關係,或與標準壓力/真空衰減測試期間的損失率的關係。
高解析度24 位A/D 轉換器:
★提供快速、高重複性的測試(解析度達到感測器滿量程的0.00001%)
功能強大的32 位高速處理器:
★可以對資料進行快速和高解析度處理。
強大的監測和編程功能:
★通過儀器操作面板或者遠端電腦可對儀器進行操作,使用二進位數字字輸入(1 到6 的數位輸入),RS232 或者乙太網。
操作面板:
★操作介面簡單,易於操作和理解
高清晰度的彩色液晶顯示器:
★線條圖顯示檢測結果,數字檢測結果,測試參數,計數和統計。
測試結果指示燈:測試中/合格/不合格。
功能按鍵和顯示按鍵:
★包括自動設定,改變工件程式,自動校準,工件程式設置,儀器設置,自檢測試,開始,停止,測試資料,監示器和幫助等。
乙太網的高速通訊:
★包括測試參數,測試結果,計數資訊,測試統計,RS232 的傳輸頻率達到115200 。測試結果輸出格式是可選的。
壓力流:
★對於測試曲線圖,測試資料通過RS232 介面每0.01 秒輸出一次。
資料收集:
★最多保存5,000 個測試的洩漏/流量率的測試結果,壓力損失,測試壓力,時間,日期,及更多其他資訊。
夾具控制:
★夾具控制可應對簡單的應用,包括輸入啟動信號和工件檢測信號啟動檢測之前對工件封堵和退回。在每個工件程式內部都可以很簡單設置運行夾具控制。
標準的6 個輸入/3 個輸出數位介面:
★這些輸入和輸出在每個子程式內部都是獨立可編程的。
可編程的數位輸入:
★包括啟動,停止/復位,打開洩漏標準閥,工件就位,外部壓力開關回饋(在充氣環節結束之前),自動校準,保持,中斷/暫停, SPC 測試件,以及1-5 二進位元工件程式選擇。
可編程數位輸出:
★包括每次測試合格/不合格,工件合格/不合格,測試不合格極限的輸出,測試序列的步驟輸出, 1夾具封堵,1夾具退位,自動校準序列和壓力選擇。
規格:各測試類型的氣路閥板選擇
測試類型:
P-壓力測試
壓力衰減洩漏率、壓力下降、壓力變化率和阻塞測試
單調壓閥/ 絕對壓力傳感器/單一洩漏標準
N型閥板:
★超小型內容積(<1cc),較小Cv閥;-壓力範圍: 10psiv到100psig>;-測試管路接口: 1/8”FNPT
A型閥板:
★標準Cv閥(1/8;標準漏孔接口),內部體積8cc;壓力範圍: 14.7psiv到100psig ;測試管路接口:1/4”FNPT
B型閥板:
★高流量-高Cv閥(5倍流量),內部體積12cc;壓力範圍: 14.7psiv到200psig;測試管路接口: 1/4” FNPT
絕對壓力傳感器
★顯示測試壓力分辨率:預充氣、充氣和穩定期間,壓力分辨率為0.001單位
★顯示測試期間的壓力損失分辨率:為0.00001單位
★絕對壓力分辨率: 0.00005%壓力傳感器範圍(200psi量程分辨率為0.3Pa)
I/O電路板的電源要求
★提供獨立的電源
★120VAC或24VDC-2.5A電流
控制輸入:
★6個晶體管輸入
控制輸出:
★3個固態繼電器
輸入/輸出終端:
★6個輸入及3個輸出可用
★在子程序內部分配每個中端的輸入和輸出功能
輸入包括: 啟動;停止/復位;工件就位;中斷/暫停;保持;外部壓力開關;自動校準;打開洩漏標準;二進位程序選擇(1~5);SPC測試工件;外部壓力反饋
輸出包括: 工件合格;工件不合格;故障;嚴重洩漏;自動校準模式;自動校準漏孔;自動校準標準件;測試指示燈;壓力選擇;休息環節;預充氣環節;充氣環節;穩定環節;測試環節;排氣環節;低於下限;介於上下限之間;高於上限;測試通過;測試失敗;夾具1封堵;夾具1退位
工件程序儲存器:
★最多可以保存32個工件程序
校準系統:
★NIST可追蹤的校準洩漏標準孔在指定的不合格標準的+5%/-0%之內,流量精確度為+-1.2%。可直接安裝在氣動閥板上
通訊:(兩種方式)
★TCP/IP(乙太網-遠程登錄和電子郵件
★通過通訊板上內部的連接入口
★RS232(在操作面板前面的外部連接)
★115600,57800,33600,11920,或9600傳輸速率
★無奇偶校準位, 8位,1個停止位,無流量控制
USB儲存器(FAT32格式):
★只用於軟體升級
機殼:
★Nema12工業外殼,沖模鑄造鋁
★尺寸: 8.7”寬& 6.6”高&7.2”深
★重量:12.5磅(5.7kg)
使用環境條件:
★5~40℃
★溼度:<90%,無凝露
所有CTS儀器包含密碼保護程序和測試結果存儲. 所有CTS儀器是CE認證的並且帶有2年有限質保.
聯繫我們 來選擇適合您應用的儀器.
CTS有著超過30年經驗的完美高精確度,可重複性和可靠的儀器,能在任何製造條件下來優化您最需要的洩漏測試應用.CTS應用工程師能夠幫您設計出最適合您需求的解決方案.請參閱「客製化儀器」部分來了解我們的能力.
您可以信任CTS為您提供正確的方案來滿足您特定的測試要求.